聯系電話:
4006-181-398

產品型號:Q644F/Q645F
公稱通徑:DN15~200mm
公稱壓力:PN16、25bar
連接形式:法蘭式
介質溫度:W1:-40~180℃ W2:-40~300℃ W3:-30~425℃ W4:-40~425℃
閥體材質:WCB、ZG1Cr18Ni9Ti、ZG0Cr18Ni12Mo2Ti
適用介質:水、蒸汽、油品,硝酸類,醋酸類
產品概述
TL型三通法蘭球閥是一種三通道的回轉型球閥,用于介質分流、合流及流向切換,任何一個管道都可以作為入口或出口。有氣動三通L型球閥和氣動三通T型球閥兩種,可以滿足不同的工業要求。三通L型球閥是對三條管道中的兩條管道進行切斷,三通T型球閥實現把三條連通管道進行合流與分流。廣泛應用于化工、石油、輕紡、電力、食品制藥、制冷造紙等領域。
產品特點
1、流體阻力小,其阻力系數與同長度的管段相等。
2、結構簡單、體積小、重量輕。
3、緊密可靠,目前球閥的密封面材料廣泛使用塑料、密封性好,在真空系統中也已廣泛使用。
4、操作方便,開閉迅速,從全開到全關只要旋轉90°,便于遠距離的控制。
5、維修方便,球閥結構簡單,密封圈一般都是活動的,拆卸更換都比較方便。
6、在全開或全閉時,球體和閥座的密封面與介質隔離,介質通過時,不會引起球閥密封面的侵蝕。
執行標準
| 設計依據 | GB標準 | ANSI標準 |
| 設計標準 | GB/12237 | ANSI B16.34 |
| 連接法蘭尺寸 | GB/9113、JB/T79 | ANSI B16.5 |
| 實驗和檢驗 | JB/T9092 | API 598 |
備注:系列球閥結構長度及連接尺寸可根據客戶要求設計制造。
主要技術參數
| 公稱通徑 | DN15~200mm |
| 連接方式 | 法蘭 |
| 氣缸配置 | AT系列、GT系列及進口執行器系列 |
| 氣缸形式 | 雙作用、單作用(彈簧復位) |
| 控制方式 | 換向、分流 |
| 公稱壓力 | 16、25bar(如需更高壓力訂貨時請注明) |
| 氣源壓力 | 雙作用:4~8bar、單作用:5~8bar |
| 介質溫度 | W1:-40~180℃ W2:-40~300℃ W3:-30~425℃ W4:-40~425℃ |
| 環境溫度 | 標準型:-20~80℃ |
| 閥體材質 | 碳鋼(C)、不銹鋼(P4、P6) |
| 密封材質 | 聚四氟乙烯(F)、對位聚苯(PPL)、金屬硬密封(H)、硬質合金(Y) |
主要零件材質
| 序號 | 零件名稱 | 材質 | 序號 | 零件名稱 | 材質 | ||||
| C | P4 | P6 | C | P4 | P6 | ||||
| 1 | 右閥體 | WCB | ZG1Gr18Ni9Ti | ZG1Cr18Ni12Mo2Ti | 11 | 襯套 | PTFE.復合軸承 | ||
| 2 | 螺母 | 35 | 1Gr18Ni9Ti | 1Gr18Ni9Ti | 12 | 壓蓋 | WCB | ZG1Gr18Ni9Ti | ZG1Cr18Ni12Mo2Ti |
| 3 | 墊片 | PTFE.石墨金屬復合墊 | 13 | 螺栓 | 35 | 1Gr18Ni9Ti | 1Gr18Ni9Ti | ||
| 4 | 螺栓 | 35 | 1Gr18Ni9Ti | 1Gr18Ni9Ti | 14 | 螺栓 | 35 | 1Gr18Ni9Ti | 1Gr18Ni9Ti |
| 5 | 閥體 | WCB | ZG1Gr18Ni9Ti | ZG1Cr18Ni12Mo2Ti | 15 | 連接支架 | 1Gr18Ni9Ti | 1Gr18Ni9Ti | 1Gr18Ni9Ti |
| 6 | 閥座 | PTFE.尼龍.對位聚苯.金屬硬密封 | 16 | 螺栓 | 35 | 1Gr18Ni9Ti | 1Gr18Ni9Ti | ||
| 7 | 球體 | 1Gr18Ni9Ti | 1Gr18Ni9Ti | 1Cr18Ni12Mo2Ti | 17 | 連接套 | 35 | 1Gr18Ni9Ti | 1Gr18Ni9Ti |
| 8 | 閥桿 | 1Gr13 | 1Gr18Ni9Ti | 1Cr18Ni12Mo2Ti | 18 | 氣動裝置 | 擠壓鋁合金 | ||
| 9 | 墊片 | PTFE | PTFE | PTFE | 19 | 位置指示器 | 塑料 | 塑料 | 塑料 |
| 10 | 填料 | PTFE.柔性石墨 |
|
||||||
備注:其它特殊密封材質或特殊溫度亦可根據客戶要求設計制造。
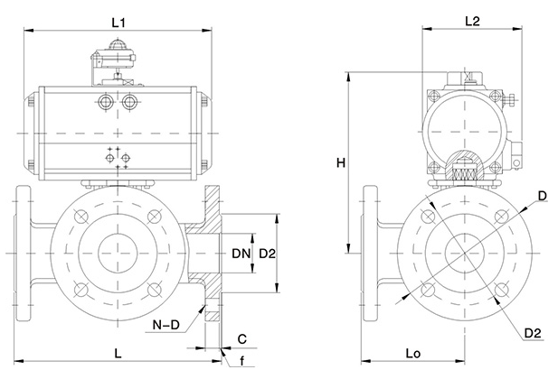
主要外形尺寸-PN16(16bar)
| 公稱通徑DN(mm) | 外形尺寸 | 連接尺寸 | 執行器型號 | |||||||||
| L | L0 | L1 | L2 | H | D | D1 | D2 | C | f | N-D | ||
| 15 | 150 | 72 | 141/159 | 71/83 | 204/235 | 95 | 65 | 46 | 14 | 2 | 4-14 | ATD50/ATE63 |
| 20 | 160 | 80 | 159/211 | 83/95 | 240/252 | 105 | 75 | 56 | 16 | 2 | 4-14 | ATD63/ATE75 |
| 25 | 180 | 90 | 211/248 | 95/107 | 257/265 | 115 | 85 | 65 | 16 | 2 | 4-14 | ATD75/ATE88 |
| 32 | 200 | 100 | 211/248 | 95/107 | 277/312 | 140 | 100 | 76 | 18 | 3 | 4-18 | ATD75/ATE88 |
| 40 | 220 | 110 | 248/269 | 107/123 | 292/317 | 150 | 110 | 84 | 18 | 3 | 4-18 | ATD88/ATE100 |
| 50 | 240 | 120 | 248/345 | 107/152 | 325/347 | 165 | 125 | 99 | 20 | 3 | 4-18 | ATD88/ATE125 |
| 65 | 260 | 130 | 315/409 | 141/172 | 357/389 | 185 | 145 | 118 | 20 | 3 | 4-18 | ATD115/ATE145 |
| 80 | 280 | 140 | 345/409 | 152/172 | 368/400 | 200 | 160 | 132 | 20 | 3 | 8-18 | ATD125/ATE145 |
| 100 | 320 | 160 | 409/550 | 172/215 | 410/498 | 220 | 180 | 156 | 22 | 3 | 8-18 | ATD145/ATE160 |
| 125 | 400 | 190 | 438/600 | 187/240 | 470/538 | 250 | 210 | 184 | 22 | 3 | 8-18 | ATD160/ATE210 |
| 150 | 440 | 220 | 550/633 | 215/262 | 556/591 | 285 | 240 | 211 | 24 | 3 | 8-22 | ATD190/ATE240 |
| 200 | 550 | 260 | 600/730 | 210/330 | 648/687 | 340 | 295 | 266 | 24 | 3 | 12-22 | ATD210/ATE270 |
主要外形尺寸-PN25(25bar)
| 公稱通徑DN(mm) | 外形尺寸 | 連接尺寸 | 執行器型號 | |||||||||
| L | L0 | L1 | L2 | H | D | D1 | D2 | C | f | N-D | ||
| 15 | 150 | 72 | 159/211 | 83/95 | 235/247 | 95 | 65 | 46 | 14 | 2 | 4-14 | ATD63/ATE75 |
| 20 | 160 | 80 | 211/248 | 95/107 | 252/260 | 105 | 75 | 56 | 16 | 2 | 4-14 | ATD75/ATE88 |
| 25 | 180 | 90 | 248/269 | 107/123 | 265/289 | 115 | 85 | 65 | 16 | 2 | 4-14 | ATD88/ATE100 |
| 32 | 200 | 100 | 248/315 | 107/141 | 287/312 | 140 | 100 | 76 | 18 | 3 | 4-18 | ATD88/ATE115 |
| 40 | 220 | 110 | 269/409 | 123/152 | 317/339 | 150 | 110 | 84 | 18 | 3 | 4-18 | ATD100/ATE125 |
| 50 | 240 | 120 | 345/345 | 123/152 | 325/347 | 165 | 125 | 99 | 20 | 3 | 4-18 | ATD100/ATE125 |
| 65 | 260 | 130 | 269/345 | 141/172 | 357/389 | 185 | 145 | 118 | 22 | 3 | 4-18 | ATD115/ATE145 |
| 80 | 280 | 140 | 315/438 | 152/187 | 400/425 | 200 | 160 | 132 | 24 | 3 | 8-18 | ATD125/ATE160 |
| 100 | 320 | 160 | 409/550 | 172/215 | 443/531 | 235 | 190 | 156 | 24 | 3 | 8-22 | ATD145/ATE190 |
| 125 | 400 | 190 | 438/600 | 187/240 | 548/583 | 270 | 220 | 184 | 26 | 3 | 8-26 | ATD160/ATE210 |
| 150 | 440 | 220 | 550/633 | 215/262 | 628/665 | 300 | 250 | 211 | 28 | 3 | 8-26 | ATD190/ATE240 |
| 200 | 550 | 260 | 600/730 | 210/330 | 695/744 | 360 | 310 | 274 | 30 | 3 | 12-22 | ATD210/ATE270 |
備注:根據不同的閥門扭矩,不同的氣源壓力及不同的實際工況,選擇相匹配的執行器其相關外形尺寸也隨之變化。

京公網安備 XXXXXXXXXXXXX